Przejdź do treści (naciśnij Enter) A A+ A++ B C D E A B C D E F G
Goobay

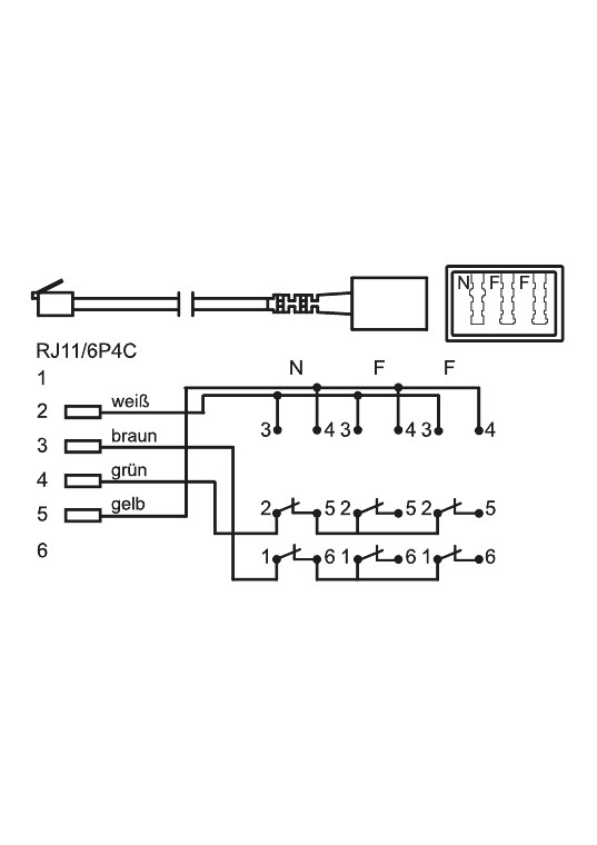
Adapter TAE

3 gniazd TAE N/F/F > Wtyk RJ11/RJ14 (6P4C)

  • do podłączenia analogowych urządzeń końcowych do gniazd modułowych

Specyfikacje techniczne

Ogólny

Znakowania CE, WEEE
Zużycie Jednostka 10 szt. w torebce plastikowej
Typ opakowania Bulk
Kolor Czarny

Połączenia

Połączenie typu 3 gniazd TAE N/F/F
Połączenie 2, Typ Wtyk RJ11/RJ14 (6P4C)

Kabel

Typ kabla Kabel płaski
Długość kabla 0.2 m

Artykul: 68027

EAN: 4040849680274